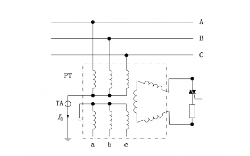
微机消谐装置消谐原理知识分享
2023-05-09 科威
主变中性点绝缘方式及倒闸操作
这是锅炉点火知识
2023-05-08 科威
输送带掉矿原因分析及解决措施知识分享
应急重力滑行装置在副井提升机的应用知识分享
某锅炉1-4号角EF和F和FI层二次风门远方无法操作FBT6检查方法
2023-05-06 科威
夏季到了,防雷知识分享
机械密封的密封圈越紧越好么?
2023-05-05 科威