新闻动态

  • 单偏心蝶阀介绍

    蝶板的回转中心(即阀杆中心) 位于阀体中心线上, 且与蝶板密封截面形成一个偏置尺寸a。使蝶板与阀座上的密封面形成一个完整的圆,加工时易保证蝶板与阀座的表面粗糙度。关闭蝶阀时, 蝶板的外圆密封表面逐渐接近并挤压阀座使阀座产生弹性变形, 形成的弹性力作为密封比压, 保证密封。

    2025-02-21 科威

  • 中线蝶阀介绍

    蝶板的回转中心(即阀杆的中心) 位于阀体的中心线和蝶板的密封面截面上, 阀座采用合成橡胶或塑性材料。关闭时蝶板的外圆密封面挤压合成橡胶阀座, 使阀座产生弹性变形而形成弹性力作为密封比压, 保证蝶阀的密封。

    2025-02-21 科威

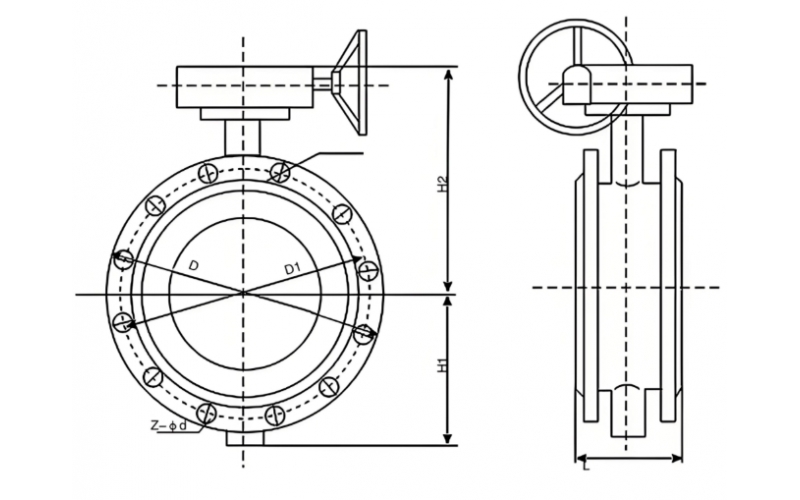
  • 三偏心蝶阀介绍

    采取三偏心是为了使碟板上的密封面与阀体密封面在阀门开启和关闭时迅速脱离和接触, 减小摩擦, 减小扭矩, 增加密封面寿命。

    2025-02-21 科威

  • 电极式液位传感器的应用

    电极式液位传感器是利用液体之导电性来侦测液位高低。桶槽内装的物质一旦触及极棒,便会导电因而检出信号。经控制器的信号放大后,再输出一接点信号,供使用者做液位的控制。

    2025-02-19 科威

  • 电动执行机构新增多孔选择阀控制功能

    智能电动执行机构新增了多孔选择阀(MSV)控制功能,进一步扩展了应用范围。

    2025-02-19 科威

  • 液位低低联锁设置的思考

    液位低低联锁是化工生产中一种重要的安全保护措施。当液位检测仪表检测到液位低于设定的低低液位值时,会将信号传递给逻辑控制器,逻辑控制器根据预设的程序发出指令,使执行机构动作,如关闭出料阀门、停止泵的运行等,以防止液位过低导致的设备损坏或安全事故。

    2025-02-19 科威

  • 分析调节阀复杂气路图

    对a气锁阀,如果P1>P设,则P3可进入P2;如果P1

    2025-02-17 科威

  • 仪表的螺纹类型

    螺纹具有装卸容易和可拆性,广泛应用于机械制造领域。螺纹标准已成为重要的机械基础标准之一。第一次工业革命后,:英国人发明了车床、板牙和丝锥,为螺纹件的大批生产奠定了技术基础。1841年,英国人惠特沃斯(Joseph Whitworth)提列出了世界上第一份螺纹国家标准(BS 84,惠氏螺纹,B.S.W和B.S.F),而奠定了螺纹标准的技术体系。1905年,英国人泰勒(WilliamTaylor)发明了螺纹量规设计原理(泰勒原则)。从此英国成为世界上第一个全面掌握螺纹加工和检测技术的国家,英制螺纹标准是世界上现行螺纹标准的先祖,英制螺纹标准最早得到了世界范围的认可。

    2025-02-17 科威

首页
产品
新闻
联系