行业知识

  • 电工电路连接线的图形符号表示方法

    电气图上各种图形符号之间的相互连线,统称为连接线。连接线可能是表示传输能量流、信息流的导线,也可能是表示逻辑流、功能流的某种特定的图线。

    2022-04-18 科威

  • 指针万用表的使用方法知识介绍

    指针万用表是一种广泛使用的电子测量仪表,它由一只灵敏很高的直流电流表(微安表)作表头,再加上挡位开关和相关电路组成。指针万用表可以测量电压、电流、电阻,还可以测量电子元器件的好坏。指针万用表种类很多,使用方法大同小异。

    2022-04-18 科威

  • YRR-DY系列数字万用表的使用方法介绍

    数字万用表与指针万用表相比,具有测量准确度高、测量速度快、输入阻抗大、过载能力强和功能多等优点,所以它与指针万用表一样,在电工电子技术测量方面得到广泛的应用。数字万用表的种类很多,但使用基本相同,下面以广泛使用且价格便宜的YRR-DY系列数字万用表为例来说明数字万用表的使用。

    2022-04-18 kwzk科威自控

  • 电能表知识说明介绍

    电能表又称电度表,它是一种用来计算用电量(电能)的测量仪表。电能表可分为单相电能表和三相电能表,分别用在单相和三相交流电路中。

    2022-04-18 kwzk科威自控

  • BAH-LK系列兆欧表使用知识介绍

    兆欧表(标准术语称为绝缘电阻表)是一种测量绝缘电阻的仪表,由于这种仪表的阻值单位通常为兆欧(MΩ),所以常称作兆欧表。兆欧表主要用来测量电气设备和电气线路的绝缘电阻。兆欧表可以测量绝缘导线的绝缘电阻,判断电气设备是否漏电等。有些万用表也可以测量兆欧级的电阻,但万用表本身提供的电压低,无法测量高压下电气设备的绝缘电阻,如有些设备在低压下绝缘电阻很大,但电压升高,绝缘电阻很小,漏电很严重,容易造成触电事故。

    2022-04-16 kwzk科威自控

  • YRR-DY系列钳形表使用知识简绍

    钳形表又称钳形电流表,是一种测量电气线路电流大小的仪表。与电流表和万用表相比,钳形表的优点是在测电流时不需要断开电路。钳形表可分为指针式钳形表和数字式钳形表两类:指针式钳形表是利用内部电流表的指针摆动来指示被测电流的大小;数字式钳形表是利用数字测量电路将被测电流处理后,再通过显示器以数字的形式将电流大小显示出来。

    2022-04-16 kwzk科威自控

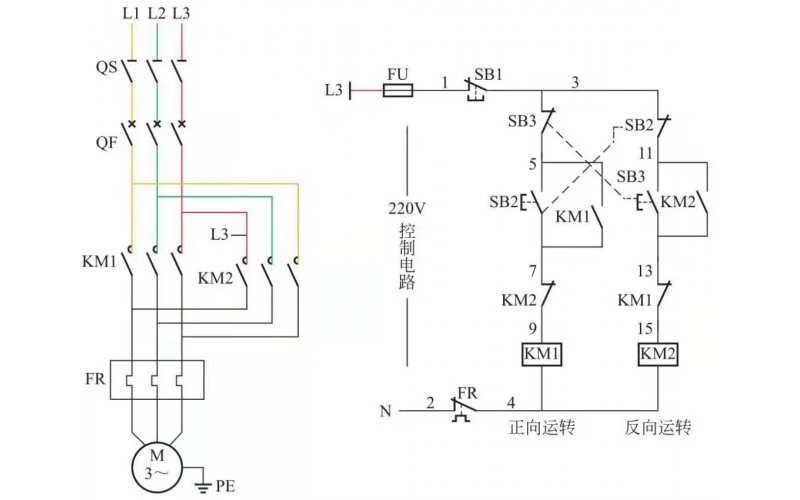
  • 接触器互锁正反转电路知识

    合上控制回路熔断器FU,电路具备启停条件。电动机主回路中增加了过载保护(热继电器FR)。电动机过载时,热继电器FR动作,FR的动断触点断开,接触器KM断电释放,KM的三个主触点同时断开,电动机断电停止运转。

    2022-04-16 kwzk科威自控

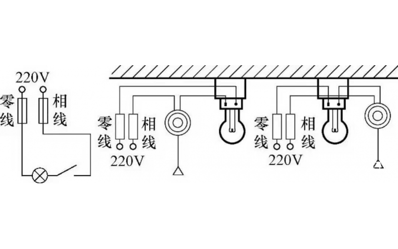
  • 基本照明控制电路知识

    照明线路一般由电源、导线、开关和负载(照明灯)组成,常见的照明控制电路主要有,一只开关控制一盏灯线路、一只开关控制两盏及两盏灯以上的照明线路、两个(或多个)开关异地控制一盏灯的照明线路等多种形式。常用的白炽灯、节能灯、荧光灯以及LED灯等照明灯具,都可以采用这些控制电路。

    2022-04-16 kwzk科威自控

首页
产品
新闻
联系