行业知识

  • 阀门定位器调试

    通过就地用户界面设置开关,可完成定位器的增益、正反作用、定位器特性以及是否允许自动调校等基本设置;在不增加工具的条件下,能够进行自动或手动校准定位器;并且可以通过就地用户界面手动控制按钮,实现手动控制调节阀。

    2024-10-28 科威

  • 阀门定位器故障诊断 图解

    问题:角行程阀门定位器,定位器反馈信号不变,无法进行初始化。

    2024-10-28 科威

  • 控制阀安装与维护实操:更换阀杆填料的步骤

    无论使用哪种类型的阀门,所有由阀杆驱动的控制阀都需要某种密封材料,以允许阀杆通过称为执行机构的外部机构运动。工艺流体的密封不允许运动的阀杆和阀体之间有任何泄漏。阀杆的密封装置称为阀杆填料。

    2024-10-25 科威

  • 联锁强制未对SIS系统SOE记录报警信息进行仔细检查致停车

    仪表系统维护班接到制氢装置工艺操作人员指令,现场要处理漏点,需要对混合蒸汽流量FT-05A/B两个表强制。

    2024-10-25 科威

  • I/O板故障原因分析

    装置冰机故障停机,仪表人员检查发现安装在压缩机冷凝器的电源控制箱因振动大个别端子松动,仪表人员检查处理后冰机具备开车条件。

    2024-10-25 科威

  • 触点开关内部氧化压缩机联锁停机故障原因分析

    装置载气压缩机GB80现场急停按钮HS-178动作信号持续0.5秒,造成压缩机停机。急停按钮为常闭按钮,平时闭合,按下时断开。 经仪表人员检查发现,该型号按钮为封装式不可拆卸,破坏按钮外壳发现,内部触点 氧化,造成触点阻值变化,回路闪断停机;16:45更换按钮开关后启动载气压缩机并系统。

    2024-10-23 科威

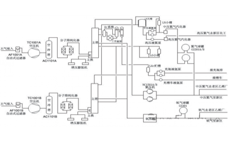
  • 双法兰差压液位计故障案例

    公用工程联合车间空分装置B套空冷塔液位LICS01-1B在1分钟内由1336mm降到1131mm,19:21:47液位开始慢慢下降,最低降至 661mm。

    2024-10-23 科威

  • 焚烧炉液位开关故障停炉原因分析

    12月27日7:30尾气焚烧炉F-502因联锁自保停炉,经检为尾气蒸汽发生器液位开关LSLL43液位低联锁触发停炉。

    2024-10-23 科威

首页
产品
新闻
联系